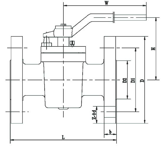
旋塞阀  --->  ANSI旋塞阀
名称
品牌
产地
ANSI旋塞阀
产品资料
返回